2022.09.04
主存和辅存共同构成了虚拟存储器,二者在硬件和系统软件的共同管理下工作。对于应用程序员而言,虚拟存储器是透明的。虛拟存储器具有主存的速度和辅存的容量。
虚拟存储器将主存或辅存的地址空间统一编址,形成一个庞大的地址空间,在这个空间内,用户可以自由编程,而不必在乎实际的主存容量和程序在主存中实际的存放位置。
用户编程允许涉及的地址称为虛地址或逻辑地址,虚地址对应的存储空间称为虚拟空间或程序空间。实际的主存单元地址称为实地址或物理地址,实地址对应的是主存地址空间,也称实地址空间。虚地址比实地址要大很多。虚拟存储器的地址空间如图所示。

CPU 使用虚地址时,由辅助硬件找出虚地址和实地址之间的对应关系,并判断这个虚地址对应的存储单元内容是否已装入主存。若已在主存中,则通过地址变换,CPU 可直接访问主存指示的实际单元:若不在主存中,则把包含这个字的一页或一段调入主存后再由 CPU 访问。若主存已满,则采用替换算法置换主存中的交换块(即页面)。
虚拟存储器也采用和 Cache 类似的技术,将辅存中经常访问的数据副本存放到主存中。但是缺页(或段)而访问辅存的代价很大,提高命中率是关键,因此虚拟存储机制采用全相联映射,每个虚页面可以存放到对应主存区域的任何一个空闲页位置。此外,当进行写操作时,不能每次写操作都同时写回磁盘,因而,在处理一致性问题时,采用回写法。
页式虚拟存储器以页为基本单位。虚拟空间与主存空间都被划分成同样大小的页,主存的页称为实页、页框,虛存的页称为虚页。把虚拟地址分为两个字段:虚页号和页内地址。虚拟地址到物理地址的转换是由页表实现的。页表是一张存放在主存中的虚页号和实页号的对照表,它记录程序的虚页调入主存时被安排在主存中的位置。页表一般长久地保存在内存中。
下图是一个页表示例。有效位也称装入位,用来表示对应页面是否在主存,若为 1,则表示该虚拟页己从外存调入主存,此时页表项存放该页的物理页号;若为 0,则表示没有调入主存,此时页表项可以存放该页的磁盘地址。脏位也称修改位,用来表示页面是否被修改过,虚存机制中采用回写策略,利用胜位可判断替换时是否需要写回磁盘。引用位也称使用位,用来配合替换策略进行设置,例如是否实现最先调入(FIFO 位)或最近最少用(LRU位)策略等。

CPU执行指令时,需要先将虚拟地址转换为主行物理地址。页表基址奇存器存放进程的页表首地址,然后根据虚拟地址高位部分的虚拟页号找到对应的页表项,若装入位为 1,则取出物理页号,和虚拟地址低位部分的页内地址拼接,形成实际物理地址:若装入位为 0,则说明缺页,需要操作索统进行缺页处理。地址变换的过程如下图所示

页式虚拟存储器的优点是,页面的长度固定,页表简单,调入方便。缺点是,由于程序不可能正好是页面的整数倍,最后一页的零头将无法利用而造成浪费,并且页不是逻辑上独立的实体,所以处理、保护和共享都不及段式虚拟存储器方便。
由地址转换过程可知,访存时先访问一次主存去查页表,再访问主存才能取得数据。如果缺页,那么还要进行页面替换、页面修改等,因此采用虚拟存储机制后,访问主存的次数更多了。
依据程序执行的局部性原理,在一段时间内总是经常访问某些页时,若把这些页对应的页表项存放在高速缓冲器组成的快表(TLB)中,则可以明显提高效率。相应地把放在主存中的页表称为慢表(Page)。在地址转换时,首先查找快表,者命中,则无须访问主存中的页表
快表通常采用全相联或组相联方式。每个 TLB 项由页表表项内容加上一个TLB 标记字段组成,TLB 标记用来表示该表项取自页表中哪个虚页号对应的页表项,因此,TLB 标记的内容在全相联方式下就是该页表项对应的虚页号;组相联方式下则是对应虚页号的高位部分,而虚页号的低位部分用于选择TLB组的组索引(详细介绍见 《操作系统考研复习指导》一书的3.2.7节)。
下图是一个具有 TLB 和 Cache 的多级存储系统,其中 Cache 采用二路组相联方式。CPU给出一个 32 位的虚拟地址,TLB 采用全相联方式,每一项都有一个比较器,查找时将虚页号与每个 TLB 标记字段同时进行比较,若有某一项相等且对应有效位为 1,则TLB 命中,此时可直接通过TLB 进行地址转换:若末命中,则TLB 缺失,需要访问主存去查页表。图中所示的是两级页表方式,虚页号被分成页目录素引和页表索引两部分,由这两部分得到对应的页表项,从而进行地址转换,并将相应表项调入 TLB,若TLB 己满,则还需要采用替换策略。完成由虚拟地址到物理地址的转换后,Cache 机构根据映射方式将物理地址划分成多个字段,然后根据映射规则找到对应的 Cache 行或组,将对应 Cache 行中的标记与物理地址中的高位部分进行比较,若相等且对应有效位为 1,则 Cache 命中,此时据块内地址取出对应的字送 CPU。

查找时,快表和慢表也可以同步进行,若快表中有此虚页号,则能很快地找到对应的实页号,并使慢表的查找作废,从而就能做到虽采用虚拟存储器但访问主存速度几乎没有下降。
在一个具有 Cache 和 TLB 的虚拟存储系统中,CPU一次访存操作可能涉及 TLB、页表、Cache、主存和磁盘的访问,访问过程如下图所示。可见,CPU 访存过程中存在三种缺失情况:
这三种缺失的可能组合情况如下表所示。
| TLB | Page | Cache | 说明 |
|---|---|---|---|
| 命中 | 命中 | 命中 | TLB命中Page一定命中,信息在主存,可能在Cache |
| 命中 | 命中 | 缺失 | TLB命中Page一定命中,信息在主存,可能不在Cache |
| 缺失 | 命中 | 命中 | TLB缺失Page可能命中,信息在主存,可能在Cache |
| 缺失 | 命中 | 缺失 | TLB缺失Page可能命中,信息在主存,可能不在Cache |
| 缺失 | 缺失 | 缺失 | TLB缺失Page可能不命中,信息不在主存,也不在Cache |

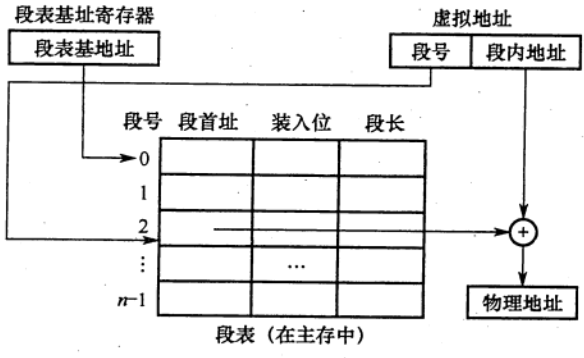
段式虚拟存储器中的段是按程序的逻镇结构划分的,各个段的长度因程序而异。把虚拟地址分为两部分:段号和段内地址。虚拟地址到实地址之问的变换是由段表来实现的。段表是程序的逻辑段和在主存中存放位置的对照表。段表的每行记录与某个段对应的段号、装入位、段起点和段长等信息。由于段的长度可变,所以段表中要给出各段的起始地址与段的长度。
CPU 根据虚拉地址访存时,首先根据段号与段表基地址拼接成对应的段表行,然后根据该段装行的装入位判断该段是否已调入主存(装入位为 “1”,表示该段己调入主存;装入位为“0”,表示该段不在主存中)。已调入主存时,从段表读出该段在主存中的起始地址,与段内地址(偏移量)相加,得到对应的主存实地址。段式盛拟存储器的地址变换过程如下图所示。
段式盛拟存储器的优点是,段的分界与程序的自然分界相对应,因而具有逻辑独立性,使得它易于编译、管理、修改和保护,下图段式虛拟存储器的地址变换过程也便于多道程序的共享;缺点是因为段长度可变,分配空间不便,容易在段间留下碎片,不好利用,造成浪费。

把程序按逻辑结构分段,每段再划分为固定大小的页,主存空间也划分为大小相等的页,程序对主存的调入、调出仍以页为基本传送单位,这样的虚拟存储器称为段页式虚拟存储器。
在段页式虚拟存储器中,每个程序对应一个段表,每段对应一个页表,段的长度必须是页长的整数倍,段的起点必须是某一页的起点虚地址分为段号、段内页号、页内地址三部分。CPU 根据虚地址访存时,首先根据段号得到段表地址:然后从段表中取出该段的页表起始地址,与虛地址段内页号合成,得到页表地址,最后从页表中取出实页号,与页内地址拼接形成主存实地址。
段页式虛拟存储器的优点是,兼具页式和段式虛拟存储器的优点,可以按段实现共享和保护。缺点是在地址变换过程中需要两次查表,系统开销较大。
相同之处
不同之处
为使虛拟存储系统有效地发挥共预期的作用,所运行程序应具有的特性是( )。 A. 不应含有过多的IO 操作 B. 大小不应小于实际的内存容量 C. 应具有较好的局部性 D. 顺序执行的指令不应过多
【答案】:C
虚拟存储管理系统的基础是程序访问的局部性原理,此理论的基本含义是( )。 A. 在程序的执行过程中,程序对主存的访问是不均匀的 B. 空间局部性 C. 时间局部性 D. 代码的顺序执行
【答案】:A
虛拟存储器的常用管理方式有段式、页式、段页式,对于它们在与主存交换信息时的单位,以下表述正确的是()。 A.段式来用“页” C.段页式来用“段”和“页” B.页式采用“块” D.页式和段页式均仅采用“页”
【答案】:D
下列关于虚存的叙述中,正确的是( )。 A.对应用程序员透明,对系统程序员不透明 B. 对应用程序员不透明,对系统程序员透明 C.对应用程序员、系统程序员都不透明 D.对应用程序员、系统程序员都透明
【答案】:A
在虚拟存储器中,当程序正在执行时,由( )完成地址映射。 A.程序员 B.编译器 C装入程序 D.操作系统
【答案】:D
采用虛拟存储器的主要目的是( )。 A. 提高主存储器的存取速度 B. 扩大主存储器的存储空间 C. 提高外存储器的存取速度 D. 扩大外存储器的存储空间
【答案】:B
关于虛拟存储器,下列说法中正确的是( )。 I. 虛拟存储器利用了局部性原理 II. 页式虛拟存储器的页面若很小,主存中存放的页面数较多,导致缺页频率较低,换页次数诚少,最终可以提升操作速度 III. 页式虛拟存储器的页面若很大,主存中存放的页面数较少,导致页面调度频率较高,换页次数增加,降低探作速度 IV. 段式虛拟存储器中,段具有逻辑独立性,易于实现程序的编译、管理和保护,也便于多道程序共享 A. I、III、IV B. I、II、III C. I、II、IV D. II、III、IV
【答案】:A
虚拟存储器中的页表有快表和慢表之分,下面关于页表的叙迷中正确的是( )。 A. 快表与慢表都存储在主存中,但快表比慢表容量小 B. 快表采用了优化的搜索算法,因此查找速度快 C. 快表比慢表的命中率高,因此快表可以得到更多的搜索结果 D. 快表采用相联存储器件组成,按照查找内容访问,因此比慢表查找速度快
【答案】:D
【2010 统考真题】下列命令组合的一次访存过程中,不可能发生的是( )。 A. TLB未命中,Cache 未命中,Page 未命中 B. TLB 未命中,Cache 命中,Page 命中 C. TLB命中,Cache 未命中,Page 命中 D. TLB命中,Cache 命中,Page 未命中
【答案】:D
【2013 统考真题】某计算机主存地址空间大小为 256 MB,按字节编址。虛拟地址空间大小为4GB,采用页式存储管理,页面大小为 4KB,TLB(快表)采用全相联映射,有4个页表项,内容如下表所示。
| 有效位 | 标记 | 页框号 | ... |
|---|---|---|---|
| 0 | FF180H | 0002H | ... |
| 1 | 3FFF1H | 0035H | ... |
| 0 | 02FF3H | 0351H | ... |
| 1 | 03FFFH | 0153H | ... |
则对虛拟地址 03FF F18OH 进行虛实地址变换的结果是( )。 A. 015 3180E B. 003 5180H C. TLB缺失 D. 缺页
【答案】:A
【2015 统考真题】假定编译器将賦值语句 “x=x+3:” 转换为指令“add xaddr, 3”,共中xaddr 是x对应的存储单元地址。若执行该指令的计算机来用页式虚拟存储管理方式,并配有相应的 TLB,且Cache 使用直写方式,则完成该指令功能需要访问主存的次数至少是() A. 0 B. 1 C. 2 D. 3
【答案】:B
【2015 统考真题】假定主存地址为 32 位,按宇节编址,主存和Cache 之间采用直接映射方式,主存块大小为 4个宇,每字32位,采用回写方式,则能存放4K 字数据的Cache 的,总容量的位数至少是( )。 A. 146K B. 147K C.148K D. 158K
【答案】:32 = [Tag(32-4-10=18bits)][Cache行 10bits][块内地址 4x32=2^4B],18+1+1=20,20K。4K 字:4Kx32bits = 128K。128K+20K=148K。C
【2019統考真题】下列关于缺页处理的叙述中,错误的是()。 A. 缺页是在地址转换时 CPU 检测到的一种异常 B.缺页处理由採作系统提供的缺页处理程序来完成 C块页处理程序根据页故障地址从外存读入所缺失的页 D.缺页处理完成后回到发生缺页的指令的下一条指令执行
【答案】:D
【2020 統考真题】下列关子 TLB 和Cache 的叙述中,错误的是()。 A.命中率都与程序局部性有关 B.缺失后都需要去访问主存 C.缺失处理都可以由硬件实现 D. 都由 DRAM 存储器组成
【答案】:D。Cache 由 SRAM 组成;TLB 通常由相联存储器组成,也可由 SRAM 组成。DRAM 需要不断刷新,性能偏低,不适合组成TLB 和Cache。选项A、B和C都是TLB 和 Cache 的特点。
【2011 统考真题】莱计算机存储器按字节编址,虚拟(逻輯)地址空问大小为 16MB,主存(物理)地址空问大小为 1MB,页面大小为 4KB; Cache 采用直接映射方式,共8行;主存与Cache 之问交换的块大小为 32B。系统运行到某一时刻时,页表的部分内容和 Cache 的部分内容分別如下的左图和右图所示,图中页框号及标记宇段的内容为十六进制形式
| 虚页号 | 有效位 | 页框号 | ... |
|---|---|---|---|
| 0 | 1 | 06 | ... |
| 1 | 1 | 04 | ... |
| 2 | 1 | 15 | ... |
| 3 | 1 | 02 | ... |
| 4 | 0 | - | ... |
| 5 | 1 | 2B | ... |
| 6 | 0 | - | ... |
| 7 | 1 | 32 | ... |
| 行号 | 有效位 | 标记 | ... |
|---|---|---|---|
| 0 | 1 | 020 | ... |
| 1 | 0 | - | ... |
| 2 | 1 | 01D | ... |
| 3 | 1 | 105 | ... |
| 4 | 1 | 064 | ... |
| 5 | 1 | 14D | ... |
| 6 | 0 | - | ... |
| 7 | 1 | 27A | ... |
回答下列问题: 1)虚拟地址共有几位,哪几位表示虚页号?物理地址共有几位,哪几位表示页框号(物理页号)? 2)使用物理地址访问 Cache 时,物理地址应划分成哪几个字段?要求说明每个字段的位数及在物理地址中的位置。 3)虛拟地址 001C60F 所在的页面是否在主存中?若在主存中,则该虚拟地址对应的物理地址是什么?访问该地址时是否 Cache 命中?要求说明理由。 4)假定为该机配置一个四路组相联的TLB,共可存放8个页表项,若其当前内容(十六进制)如下图所示,則此时虛拟地址 024BACH 所在的页面是否存在主存中?要求说明理由。
| 组号 | 有效位 | 标记 | 页框号 | 有效位 | 标记 | 页框号 | 有效位 | 标记 | 页框号 | 有效位 | 标记 | 页框号 |
|---|---|---|---|---|---|---|---|---|---|---|---|---|
| 0 | 【0 | - | 0】 | 【1 | 001 | 15】 | 【0 | - | -】 | 【1 | 012 | 1F】 |
| 1 | 【1 | 013 | 2D】 | 【0 | - | -】 | 【1 | 008 | 7E】 | 【0 | - | -】 |
【答案】:
【2018 统考真题】某计算机来用页式虚拟存储管理方式,按宇节编址。CPU 进行存储访问的过程如下图所示。根据该图回答下列问题, 1)主存物理地址占多少位? 2)TLB采用什么映射方式?TLB是用SRAM 还是用DRAM 实现? 3)Cache 来用什么映射方式?若 Cache采用 LRU 替换算法和回写策略,则 Cache 每行中除数据(Data)Tag 和有效位外,还应有哪些附加位? Cache 总容量是多少?Cache 中有效位的作用是什么? 4)若 CPU 给出的虛拟地址为 0008 C040H,则对应的物理地址是多少?是否在 Cache中命中?说明理由。若CPU 给出的虛拟地址为 0007 C260H,则该地址所在主存块映射到的 Cache 组号是多少?

【答案】:
【2021 统考真题】假设计算机M的主存地址为 24 位,按字节编址;采用分页存储管理方式,虛拟地址为 30位,页大小为 4KB;TLB 来用二路组相联方式和 LRU 替换第略,共8组。请回答下列问题。 1)虚拟地址中哪几位表示虛页号?哪几位表示页内地址? 2)已知访问TLB时虛页号高位部分用作TLB标记,低位部分用作TLB组号,M的虛拟地址中哪几位是 TLB 标记?哪几位是TLB组号? 3)假设TLB初始时为空,访问的虛页号依次为10,12,16,7,26,4,12和20,在此过程中,哪一个虛页号对应的TLB表项被替换?说明理由。 4)若将M中的虚拟地址位数增加到 32位,则TLB 表项的位数增加几位?
【答案】:
4KB = 2^12B,30-12=18,12~29位代表虚页号。0~11代表页内地址。
组号3bits,12~14位代表组号,15~29代表TLB标记
10=1[010],12=1[100],16=10000,7=0111,26=11010,20=10100
| 10 | 12 | 16 | 7 | 26 | 4 | 12 | 20 | |
|---|---|---|---|---|---|---|---|---|
| 组号 | 010 | 110 | 000 | 111 | 010 | 100 | 100 | 100 |
| 000 | 16 | |||||||
| 010 | 10 | 26 | ||||||
| 100 | 12 | 4 | 12 | 20 | ||||
| 110 | ||||||||
| 001 | ||||||||
| 011 | ||||||||
| 101 | ||||||||
| 111 | 7 |
10和4和12会被替换
2位